0
Je winkelwagen

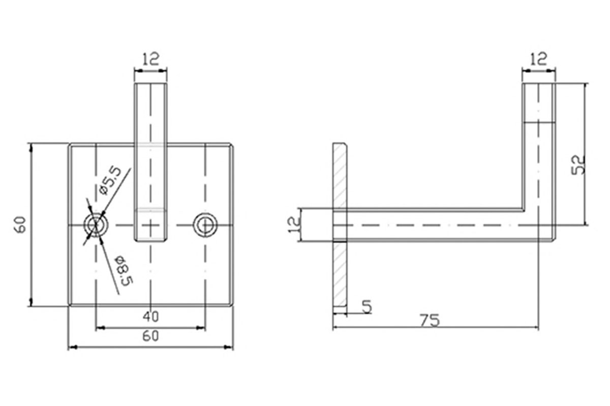
Trapleuning houder vierkant van onbehandeld staal (lasbaar). De vierkante leuning houder is voorzien van 2 montage gaten.