0
Je winkelwagen

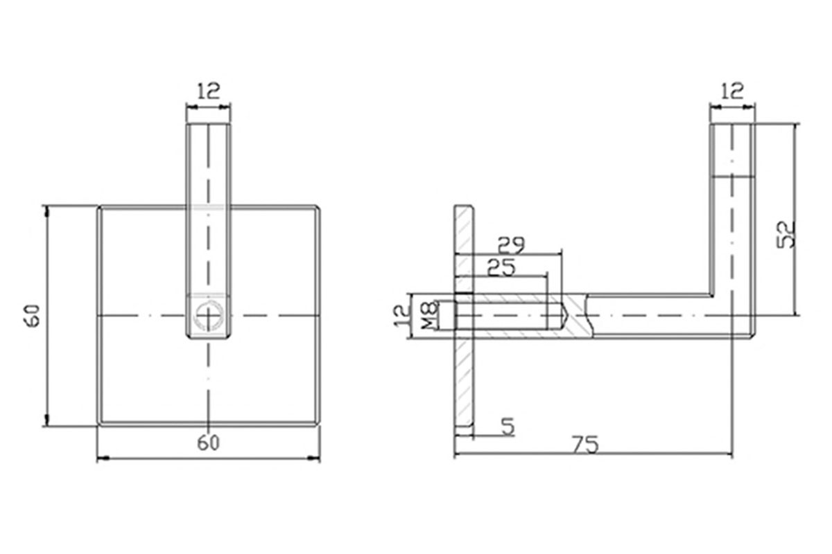
Handige vierkante lasbare trapleuning houder van onbehandeld staal. De leuning houder is voorzien van een binnendraad M8.